Skip to main content
    2778

    Valvole a Farfalla Lug

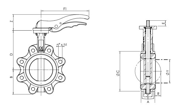
    Le valvole serie LBVD sono valvole di intercettazione a farfalla con disco centrato e corpo tipo lug in ghisa sferoidale.    Vedi di più...
    Per visualizzare il video, è necessario accettare la nostra Cookie Policy. Se il player non appare, clicca sul link qui sotto.
    Contattaci

    Per qualsiasi domanda, richiesta di informazioni o assistenza, non dubitate di contattarci.

    Non hai trovato quello che cercavi?
    Entra in contatto con lo staff

    Se non hai trovato il prodotto o il servizio che desideri o se hai bisogno di un progetto studiato su misura contattaci subito! Saremo felici di aiutarti.